企业配套国内外主机厂回转减速机产品
|
|
|
| 点击图片放大阅览 |
 |
| 『概述』 |
| WHNGW-L83-78.95JB3724-84立式行星减速机适用于汽车吊、履带吊、码头吊、船用吊车、步 |
| 履式桩机塔吊等,适用吨位:16T,20T,25T,35T起重设备回转装置中。 |
|
| |
| 『结构和工作原理』 |
| WHNGW-L83-78.95JB3724-84行星减速机为3级行星减速机构,结构紧凑,外观简洁,使用马 |
| 达可直接安装于减速机上,为了保证负荷的最佳平衡,每一级的行星组合成组,采用幼稚合金钢制 |
| 造,所有外齿轮经渗碳淬火处理及磨齿,减速机完全运转于抗磨型轴承中,所有支承均采用高承载 |
| 能力的滚动轴承,行星齿轮传动及轴承采用浸入式润滑,确保油膜均载效应,减速机的输出轴转向 |
| 与液压马达相一致,液压开启,湿式运转,内装液压开启多片摩擦停车制动器,平时它靠弹簧力闭 |
| 合,当液压油压力增高时被打开。 |
| 内部防锈采用204-1防锈油处理,外部使用F53-33铁红酚醛防锈漆 |
|
| |
| 『主要技术参数』 |
|
|
|
|
最大 |
额定 |
最大 |
额定 |
最大 |
额定 |
最大 |
额定 |
2500 |
1500 |
175 |
118 |
12160 |
8200 |
31.6 |
0-19 |
|
|
| |
静态制动力矩
N.m |
开启压力MPa
制动器 |
最大耐压MPa
制动器 |
运转温度
℃ |
重量
Kg |
速比 |
80-155 |
1.5-1.8 |
20 |
85 |
165 |
78.95 |
| |
|
|
|
|
|
|
| |
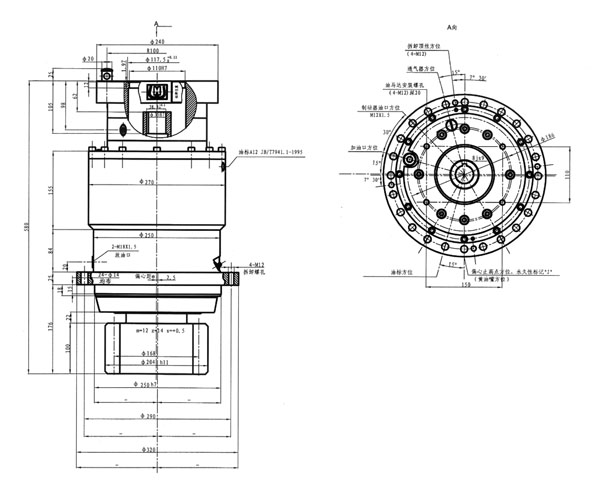
| 『安装』 |
| 为确保吊臂回差率在最佳状态,使输出轴齿轮与回转支承中心距可以调整,请认准黄油嘴方位为 |
| 偏心距2.5最高点进行微调,必要时马达、马达接盘也可相应转位。 |
| 减速机下端盖(法兰盘)安装尺寸可根据用户使用情况而定,上端盖和联轴套亦可根据马达法兰 |
| 及输出轴来确定。 |
| |
| 『使用与维护保养』 |
| 减速机使用前,应向机内注入约4.5L的90-120号工业齿轮油,注油完毕,将注油通气螺塞装回拧 |
| 紧。然后进行空载试运转,此时检查减速机的噪声、温升和振动是否正常,如未见异常情况,即可进 |
| 行带载运行,带载运行情况正常后,即可投入正式使用。 |
| 新机工作200小时后,应更换润滑油一次,再工作500小时再换油一次,以后每工作1000小时换油 |
| 一次,如果一年内累计工作时间不满1000小时,则一年也应换一次。 |
| |
| 『减速器代号含义及设计标准』 |
|
| |
|
|
| |