首 页 公司简介 企业文化 荣誉资质 产品集锦 高端装备 质量保证 联系我们
卷扬减速机
行星减速机
  自由落钩卷扬减速机
制动器总成及配件
液压件
XZB/M-K63F马达(泵)
XZB/M-K55F马达(泵)
XM-F75F马达(泵)
XM-F40L马达(泵)
轴向柱塞马达
斜盘式轴向柱塞马达
过滤、混合、管道设备系列
输送设备系列
您的位置:首页 >> 产品介绍

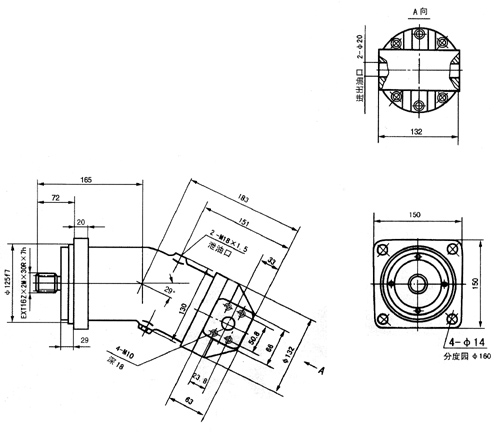
XZB/M-K63F马达(泵)

XZB/M-K63F马达(泵)
 『型号和技术参数』
型号
理论排量ml/r
压力MPa
转速r/min
输出扭矩N.m
容积效率≥%
总效率≥%
重量Kg
额定
最高
额定
最高
XZB/M-K63F
63
31.5
36
1800
2500
350
95
85
23
 生产与出厂标准依据:JB/T7043-93 JB/T7044-93 JB/T50004-1999 图中尺寸仅供参考
 
 



 
上海万惠机械制造有限公司
上海市闸北区天目西路218号2幢3803室 邮编:200070
电话:021-63170988 传真:021-33791636 热线:13862897388 网址:www.shwhjx.com E-mail:shwhjx@163.com