首 页 公司简介 企业文化 荣誉资质 产品集锦 高端装备 质量保证 联系我们
卷扬减速机
行星减速机
  自由落钩卷扬减速机
制动器总成及配件
液压件
XZB/M-K63F马达(泵)
XZB/M-K55F马达(泵)
XM-F75F马达(泵)
XM-F40L马达(泵)
轴向柱塞马达
斜盘式轴向柱塞马达
过滤、混合、管道设备系列
输送设备系列
您的位置:首页 >> 产品介绍

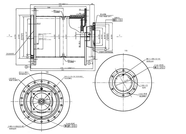
企业配套国内外主机厂卷扬减速机产品

点击图片放大阅览
 『用途及使用范围
  WHQJX140.38-001型卷扬减速机主要用于起重机、钻机、塔机、货用轮船或其它工程机械及
建筑机械上的起升装置。
 
 主要规格与技术参数
 (一)型式:单卷筒行星齿轮传动
 (二)动力:高速液压马达(用户自备)
 (三)主要技术参数:见下表
  输出扭矩(额定/最大)
N.m
8470/10600
  减速比
i
38
  单绳额定拉力(第四层)
KN
35
  单绳速度(第二层)
m/min
119
  卷筒规格D×L×t(旋向)
mm
φ382×479×18(右旋)
  钢丝绳直径
mm
φ17
  钢丝绳缠绕层数
4
  额定输出转数
r.p.m
92
  额定输入转数
r.p.m
3500
  输入扭矩(额定/最大)
N.m
248/310
  制动器
  制动力矩(干式)静
N.m
523
  制动器开启油压
Mpa
1.8-2
  驱动马达型号
A6V107HA2FZ1132
  润滑油规格
90#极压工业齿轮油
  加入量
L
1.6
 
 『安装与试运转
  卷扬减速机与主机安装之前,需将结合面上的防锈油脂清洗干净,然后按安装图的要求进行安装
安装时应注意其接触部位应贴实,然后均匀拧紧连接螺钉(用户自备),螺钉需涂防松胶以防松动。
  卷扬减速机初始运转前,应按要求加注润滑油,注油方法和部位参考安装图。先将卷筒上的防护
堵取下,拧下上方M20×1.5油塞,按要求注入洁净的90#极压工业齿轮油。注毕拧紧油塞,装上防护
堵。然后空运转正、反转各五分钟,如未发生异常声响(指撞击声、周期性杂音)或其它异常时,即
可投入正常运转。
  卷扬减速机运转中应经常观察有无漏油、异常噪声,螺栓松动等现象,发现异常时应及时进行处
理。
 『使用与维护』
  新机在工作150小时(规范要求)应换油一次,卸下下方M16×1.5油塞即可将油放出。以后每工
作1000小时或一年换一次润滑油,同时应补充或更换润滑脂。
  卷扬减速机在工作过程中,当发现油温显著升高并超过80℃,油的质量变坏以及异常噪声等现象
应停止使用,检查原因排除故障后再用。
  一般情况下,用户不要轻易拆卸减速部分,以防在不熟悉装配工艺的情况下,使重新组装的机构
发生漏油和因防松欠佳而发生事故。
  使用期间如发现下列情况,应检查密封元件的密封情况,摩擦片的磨损情况,必要时应进行更换
  (1)当制动器泄漏油孔连续排油时
  (2)当制动力矩不足或显著下降时
 
 ◆可根据用户需要特制
 



 
上海万惠机械制造有限公司
上海市闸北区天目西路218号2幢3803室 邮编:200070
电话:021-63170988 传真:021-33791636 热线:13862897388 网址:www.shwhjx.com E-mail:shwhjx@163.com