自由落钩卷扬减速机
|
|
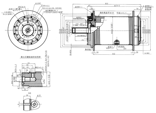
WHLGJ5.5-系列自由落钩卷扬减速机 |
| 点击图片放大阅览 |
 |
| 『概述』 |
| WHLGJ5.5-01自由落钩卷扬减速机是在J1系列卷扬减速机的基础上,增加了自由落钩功能而派 |
| 生的新机型,适用于各种起重机的卷扬提升机构,其自由落钩功能可有效地节省能源,提高工作效 |
| 率。 |
|
| |
| 『结构和工作原理』 |
| 减速机卷筒内部采用两级行星齿轮传动机构,结构紧凑,外观简洁。机内受力零部件均采用优 |
| 质合金钢制造。主要齿轮经渗碳淬火及磨齿。所有支承均采用高承载能力的滚动轴承。行星齿轮传 |
| 动的齿轮及轴承采用浸入式润滑。两端支承轴承采用润滑脂润滑。 |
| 减速机由液压马达驱动。液压马达轴伸由花键副与减速机轴入端联接,并通过两级行星齿轮传 |
| 动机构,扭矩由输出轴输出。减速机输出轴的旋转方向与液压马达相一致。在减速机的输出轴与卷 |
| 筒尚未联接之前,减速机的输出扭矩无法传递到卷筒,因此卷筒处于无动力驱动状态,即不工作状 |
| 态。 |
| 用户在选用本机型时,应同时配套制动毂、制动器和离合器。用户应通过减速机输出端卷筒端 |
| 面上的18-M12-6H螺孔将制动毂安装和紧固在卷筒的输出端,并通过渐开线花键副 |
| INT/EXT24Z×2.5m×30P×6H/6e,将离合器与减速机输出轴相联接。由此,通过离合器-制动器- |
| 制动毂的传递,将减速机输出轴上的输出扭矩传递给减速机的卷筒。从而产生减速机的卷筒升降、 |
| 制动或自由下放等不同的工作状态。 |
| 减速机卷筒工作状态的控制原理见下表: |
工作状态 |
液压马达 |
离合器 |
制动器 |
卷扬减速机升降 |
工作 |
结合 |
打开 |
带载或不带载停机制动 |
停止 |
分离 |
制动 |
负载控制下自由下放 |
停止 |
分离 |
打开 |
|
|
| |
| 『安装』 |
| 减速机在出厂时已经经过出厂试验,之后已将润滑油放尽,并油封包装。开箱安装前,应先将减 |
| 速机安装表面的防锈油脂清洗干净,并将减速机安装机架上固定。然后,取下包装储存时所加的防尘 |
| 盖和防尘套,并清洗输出轴外露表面的防锈油脂,按顺序将制动毂、离合器和制动器等部件装配就位 |
| ,但应注意留出润滑油的注油空间。上述安装所用的螺纹紧固件的螺纹部分均应涂上厌氧紧固胶防松 |
| |
| 『使用与维护保养』 |
| 减速机试运行前,应向机内注入约1.3L清洁的90-120号工业齿轮油(GB5903-1995)。具体操作 |
| 步骤是:先取下卷筒上的橡胶螺塞后,用手转动卷筒,从橡胶螺塞孔中找到机体内腔注油通气螺塞, |
| 拧下注油通气螺塞即可注油。注油完毕,将注油通气螺塞及卷筒上的橡胶螺塞依次装回拧紧。各润滑 |
| 油杯在出厂时已加过油,在试运行前不必再加油。 |
| 加油完毕后,进行减速机正反向空载试运行。此时应检查减速机的噪声、温升和振动等是否正常 |
| ,制动器和离合器动作是否灵敏可靠,以及润滑油和液压油密封是否良好。如果未见异常情况,即可 |
| 进行带载试运行。带载试运行情况正常后,即可投入正式使用。 |
| 减速机投入正常使用后,应经常检查有无异常噪声、漏油或紧固件松动等现象,如发现异常情况 |
| 应及时处理。 |
| 新机工作100小时后,应更换润滑油一次。再工作500小时后再换油一次。以后每工作1000小时 |
| 换油一次。如果一年内累计工作时间不满1000小时,则一年也换油一次。换油时应卸下下方放油螺塞 |
| 即可放油。几个润滑油杯处不需换油,但需经常用油枪注入适量的锂基润滑脂(GB7324-1994)。 |
| |
| ◆可根据用户需要特制 |
| |